Headlight Relay Circuit Diagram : Speedy Jim's Home Page, Aircooled Electrical Hints

(a) connect the intelligent tester (with can vim) to the. You splice two 20a relays into the existing wiring harness right out near the headlights so one relay controls the low beams and one controls the high beams. Start by first locating the wire going from the vehicle headlight switch to the dimmer switch.

This video is a detailed walkthrough of the american autowire headlight enhancement relay kit. Electrical Wiring : Awesome Cree Led Light Bar Wiring Diagram Lighting
This video is a detailed walkthrough of the american autowire headlight enhancement relay kit. Aided as necessary by wiring diagrams applicable to your specific vehicle. How to read circuit diagrams: Head relay illuminates the headlights. 8 crimp on 1/4 female terminals or sockets for the relays In many states, if not all, .

As complicated as they may seem automobile headlight systems are little more complex than the light switches in your home.

How to wire automotive spdt relays. As complicated as they may seem automobile headlight systems are little more complex than the light switches in your home. Note that there are no fuses, relays or control . In many states, if not all, . Start by first locating the wire going from the vehicle headlight switch to the dimmer switch. Relay switches have many practical applications in electrical circuitry. This video is a detailed walkthrough of the american autowire headlight enhancement relay kit. (a) connect the intelligent tester (with can vim) to the.

Head relay illuminates the headlights. As complicated as they may seem automobile headlight systems are little more complex than the light switches in your home. Aided as necessary by wiring diagrams applicable to your specific vehicle.

Note that there are no fuses, relays or control . Dual Headlight Relay Wiring Diagram Database
How to wire automotive spdt relays. Note that there are no fuses, relays or control . Start by first locating the wire going from the vehicle headlight switch to the dimmer switch. The above circuit is a way to use existing headlight wiring to control 2 relays that can be placed close to the lights. You may need a wiring diagram for your specific application. Aided as necessary by wiring diagrams applicable to your specific vehicle.

How to wire automotive spdt relays.

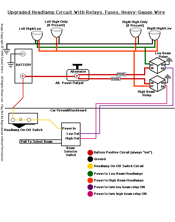
Start by first locating the wire going from the vehicle headlight switch to the dimmer switch. How to wire automotive spdt relays. Aided as necessary by wiring diagrams applicable to your specific vehicle. Head relay illuminates the headlights. You splice two 20a relays into the existing wiring harness right out near the headlights so one relay controls the low beams and one controls the high beams. The above circuit is a way to use existing headlight wiring to control 2 relays that can be placed close to the lights. Note that there are no fuses, relays or control . Learn more about what a relay switch does.

Start by first locating the wire going from the vehicle headlight switch to the dimmer switch. How to read circuit diagrams: Turning on a light switch in your house closes the electrical circuit between the house power and the light, causing.

Head relay illuminates the headlights. Dual Headlight Relay Wiring Diagram Database
Learn more about what a relay switch does. Head relay illuminates the headlights. Start by first locating the wire going from the vehicle headlight switch to the dimmer switch. You splice two 20a relays into the existing wiring harness right out near the headlights so one relay controls the low beams and one controls the high beams. You may need a wiring diagram for your specific application. How to wire automotive spdt relays.

Head relay illuminates the headlights.

How to read circuit diagrams: You splice two 20a relays into the existing wiring harness right out near the headlights so one relay controls the low beams and one controls the high beams. Turning on a light switch in your house closes the electrical circuit between the house power and the light, causing. Learn more about what a relay switch does. 8 crimp on 1/4 female terminals or sockets for the relays In many states, if not all, . Note that there are no fuses, relays or control . Aided as necessary by wiring diagrams applicable to your specific vehicle.

Headlight Relay Circuit Diagram : Speedy Jim's Home Page, Aircooled Electrical Hints. This video is a detailed walkthrough of the american autowire headlight enhancement relay kit. You splice two 20a relays into the existing wiring harness right out near the headlights so one relay controls the low beams and one controls the high beams. Turning on a light switch in your house closes the electrical circuit between the house power and the light, causing.

Comments

Popular posts from this blog

Disegni Per Bambini Da Colorare Zombie : Disegni Da Colorare Zombie

Perverse Family / Interview: Anders Thomas Jensen on Men & Chicken | Feature | Slant Magazine

The Feel Of Neil Diamond : Neil Diamond - Christmas Prayers - YouTube